Преобразователь частоты
Серия UNI600
Модель UNI600-1S-G0.55В
Мощность: 0.55 кВтТок: 7 А
Напряжение: 1 ~ 198-253 В (+5 % не более 20 мс), 50/60 Гц ± 2 %
Размеры (ШхВхГ, мм): 83x149x111
UNI600 — максимум возможностей в компактном формате
Надежный частотный преобразователь для стабильной работы вашего оборудования
Практичное решение для тех, кому нужен функциональный и доступный привод без лишней сложности. Он закрывает ключевые задачи управления электродвигателями в промышленности: от насосов и вентиляторов до конвейеров и технологических линий.
Почему выбирают UNI600
Стабильная работа при любых нагрузках
Векторное управление (SVC) обеспечивает высокий пусковой момент до 180% и точную регулировку скорости даже при изменяющихся нагрузках.
Экономия места и удобство монтажа
Компактный корпус позволяет устанавливать приводы вплотную без перегрева — больше оборудования в меньшем шкафу.
Быстрый запуск без сложной настройки
Функция «Быстрый пуск» и интуитивное управление сокращают время ввода в эксплуатацию.
Гибкость применения
Подходит для большинства стандартных задач автоматизации без необходимости переплаты за избыточный функционал.
Готов к работе из коробки
- Встроенный Modbus RTU для интеграции в системы автоматизации
- Поддержка NPN/PNP — легко встраивается в существующие схемы
- ЭМС-фильтр — меньше помех, стабильнее работа
- Встроенный тормозной модуль
Универсальность в применении
- Асинхронные и синхронные двигатели
- Работа от однофазной сети 230 В (версии -1S,2S)
- Насосы, вентиляторы, компрессоры, конвейеры и др.
Продуман в деталях
- Установка на DIN-рейку или монтажную панель
- Нестираемая маркировка клемм — меньше ошибок при подключении
- Удобный энкодер с нажатием (локально или на выносной панели управления)
UNI600 — это баланс цены, функциональности и надежности.
Идеальный выбор, когда нужно быстро внедрить привод и быть уверенным в его стабильной работе каждый день.
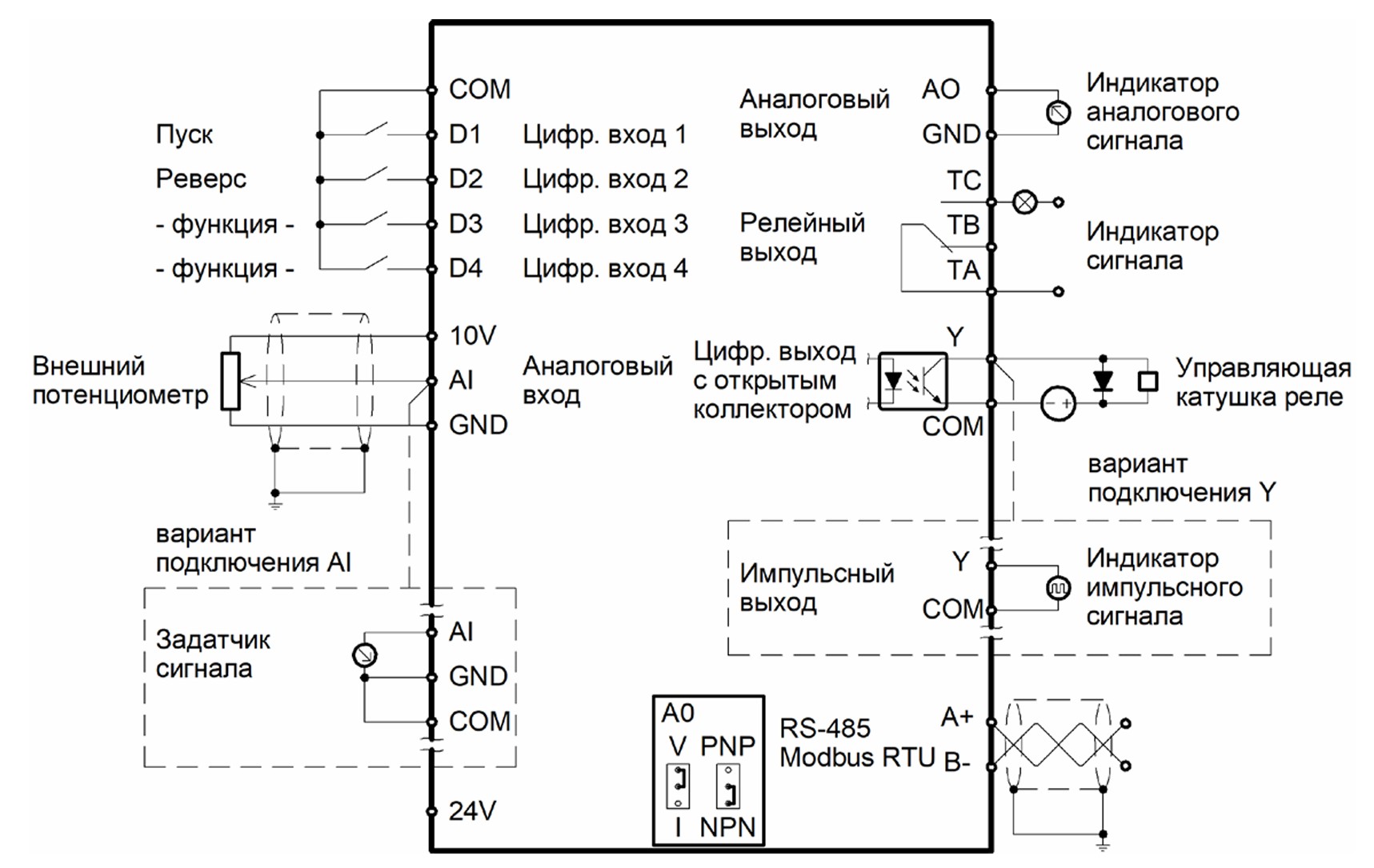
Схема подключения

Габариты моделей UNI600
| Модель | Ширина | Высота | Глубина |
|---|---|---|---|
| UNI600-1S-G0.4B | 83 | 149 | 111 |
| UNI600-1S-G0.55B | |||
| UNI600-1S-G0.75B | |||
| UNI600-1S-G1.5B | |||
| UNI600-2S-G0.4B | |||
| UNI600-2S-G0.75B | |||
| UNI600-2S-G1.5B | |||
| UNI600-2S-G2.2B | |||
| UNI600-4T-G0.4/P0.75B | |||
| UNI600-4T-G0.75/P1.5B | |||
| UNI600-4T-G1.5/P2.2B | |||
| UNI600-4T-G2.2/P4.0B | |||
| UNI600-1S-G2.2B | 98 | 170 | 124 |
| UNI600-2S-G4.0-B | |||
| UNI600-4T-G4.0/P5.5B | |||
| UNI600-4T-G5.5/P7.5B | |||
| UNI600-4T-G7.5/P11B | |||
| UNI600-1S-G4.0B | 135 | 228 | 160 |
| UNI600-2S-G5.5-B | |||
| UNI600-2S-G7.5-B | |||
| UNI600-4T-G11/P15B | |||
| UNI600-4T-G15/P18.5B |
Чтобы приобрести понравившийся товар, необходимо его заказать. Есть несколько сценариев того, как это можно сделать.
- Выбрать понравившийся товар и нажать кнопку «Заказать». При оформлении заказа заполнить форму. Вписать информацию в поля: ФИО, телефон и e-mail. Затем вам перезвонит менеджер, чтобы подтвердить ваше согласие на совершение покупки.
- Выбрать понравившийся товар и нажать кнопку «В корзину». Затем перейти в корзину и нажать «Оформить заказ». Далее заполнить форму с контактными данными и отправить заявку. С вами свяжется менеджер для дальнейшего обсуждения.
- Перейти в карточку товара и нажать «Купить в один клик». После нажатия нужно заполнить форму и отправить заявку. С вами свяжется менеджер для дальнейшего обсуждения.
Оплата по счету возможна как для юридических, так и для физических лиц
Выставленный счет действителен в течении 3-х календарных дней с момента выставления
Заказ считается оплаченным при поступлении денег на расчетный счет организации, после чего производится отгрузка оборудования
Предлагаем вам несколько возможных вариантов доставки
1. Самовывоз со склада (г.Минск ул. Петра Глебки 11)
Для получения товара обратитесь к менеджеру организации
2. Доставка транспортными компаниями (службами доставки) в любой город РБ
Специалист предложит выбрать удобное время доставки

