Серия SBI
Модель SBI-5.5/11-04
Общепром. режим (G):
Мощность: 5.5 кВт
Ток: 11 А
Напряжение: 3 ~ 380В ± 15% 50/60Гц
Размеры (ш.хв.хг.; мм): 146x270x160
Вес (нетто): 5 кг
Устройства плавного пуска серии SBI управляют пусковым током и напряжением асинхронных короткозамкнутых электродвигателей.
Использование устройств INSTART обеспечивает контролируемый, безударный, плавный пуск, тем самым улучшая комплексную защиту электродвигателя.
Данная серия имеет встроенный обводный контактор, что позволяет упростить подключение и минимизировать время ввода в эксплуатацию.
Основные функции устройств плавного пуска INSTART в стандартной комплектации:
- Управление пусковым током.
- Напряжение и ток изменяются плавно, без скачков.
- Процесс пуска оптимизирован, включая применения, где нагрузка меняется от пуска к пуску.
- Плавный останов, где момент инерции более 20%.
- Торможение для снижения времени останова.
- Автоматический перезапуск при возникновении ошибки или сбое питания.
- Встроенный сетевой протокол Modbus RTU
СИСТЕМА ОБОЗНАЧЕНИЯ

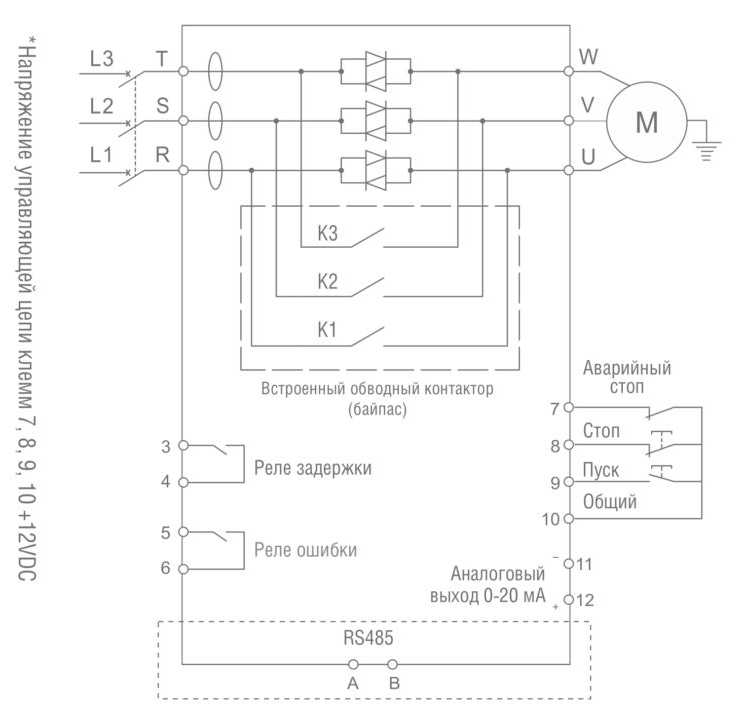
СХЕМА ПОДКЛЮЧЕНИЯ УСТРОЙСТВ ПЛАВНОГО ПУСКА

| Компонент | Характеристика |
|---|---|
| Напряжение питания и диапазон мощностей | 380 В ± 15%, 3 фазы 5.5 – 55 кВт |
| Частота электропитания | 50/60 Гц |
| Применяемые электродвигатели | Трехфазные асинхронные с короткозамкнутым ротором |
| Частота пусков | Не более 20 раз в час |
| Пусковое напряжение | 30 – 70% |
| Ограничение пускового тока | 50 – 500% |
| Время пуска | 2 – 60 с |
| Время останова | 0 – 60 с |
| Максимальный рабочий ток | 50 – 200% |
| Режим пуска |
|
| Режимы останова |
|
| Наличие обводного контактора (байпас) | Встроен |
| Релейные выходы | Программируемый выход с задержкой, выход ошибки, управление обводным контактором |
| Входы управления | Пуск, стоп, аварийный стоп |
| Аналоговый выход | 4…20 мА, мониторинг действующего тока двигателя |
| Обмен данными | Поддержка стандартного протокола MODBUS RTU |
| Функции защиты |
|
| Степень защиты | IP20 |
| Внешние условия | Размещение на высоте до 1000 м. При размещении выше 1000 м – следует использовать устройство большей мощности. Температура окружающего воздуха – в интервале – 30…+55 оС, влажность воздуха – не более 90%, без конденсата. Размещение устройства – в помещении с хорошей вентиляцией, при отсутствии коррозионно- активных веществ и электропроводящей пыли. Вибрации не должны превышать 0.5 G |
| Система охлаждения | Естественное охлаждение воздухом |
Чтобы приобрести понравившийся товар, необходимо его заказать. Есть несколько сценариев того, как это можно сделать.
- Выбрать понравившийся товар и нажать кнопку «Заказать». При оформлении заказа заполнить форму. Вписать информацию в поля: ФИО, телефон и e-mail. Затем вам перезвонит менеджер, чтобы подтвердить ваше согласие на совершение покупки.
- Выбрать понравившийся товар и нажать кнопку «В корзину». Затем перейти в корзину и нажать «Оформить заказ». Далее заполнить форму с контактными данными и отправить заявку. С вами свяжется менеджер для дальнейшего обсуждения.
- Перейти в карточку товара и нажать «Купить в один клик». После нажатия нужно заполнить форму и отправить заявку. С вами свяжется менеджер для дальнейшего обсуждения.
Оплата по счету возможна как для юридических, так и для физических лиц
Выставленный счет действителен в течении 3-х календарных дней с момента выставления
Заказ считается оплаченным при поступлении денег на расчетный счет организации, после чего производится отгрузка оборудования
Предлагаем вам несколько возможных вариантов доставки
1. Самовывоз со склада (г.Минск ул. Петра Глебки 11)
Для получения товара обратитесь к менеджеру организации
2. Доставка транспортными компаниями (службами доставки) в любой город РБ
Специалист предложит выбрать удобное время доставки



